Bộ khuếch đại tín hiệu KM02A chuyên dùng trong các ngành điều khiển công nghiệp, đặc biệt trong hệ thống trạm trộn bê tông. Sản phẩm có khả năng khuếch đại tín hiệu loadcell, được nhập khẩu và cung cấp chính hãng bởi Tân Phát.

Bộ khuếch đại tín hiệu loadcell KM02A nhập khẩu chính hãng Keli
Thông số kỹ thuật bộ khuếch đại tín hiệu KM02A
|
Model |
KM02A |
|
Nhà sản xuất |
Keli |
|
Nơi sản xuất |
Trung Quốc |
|
Nhà phân phối |
Tân Phát |
|
Bảo hành |
12 tháng |
|
Kích thước tổng thể |
180mm x 120mm x 46mm |
|
Nguồn điện cung cấp |
15-24 VDC |
|
Nhiệt độ hoạt động |
0˚C đến 85˚C |
|
Độ ẩm hoạt động |
10 - 95 %RH |
|
Độ nhạy loadcell |
1-4 mV/V |
|
Độ không tuyến tính |
tốt hơn 0.05 %FS |
Tính năng nổi bật của bộ khuếch đại tín hiệu KM02A
- KM02A có thể đọc, chuẩn hóa và khuếch đại các tín hiệu loadcell (cảm biến lực).
- Thiết kế chống bụi tốt, sử dụng phổ biến trong hệ thống cân có nhiều động cơ cũng như biến tần hoạt động (như cân trạm trộn bê tông).
- Bộ khuếch đại tín hiệu KM02A Keli được sử dụng cho nhiều mục đích khác nhau như: khuếch đại tín hiệu đầu dò nhiệt, đầu dò trọng lượng, đầu dò độ ẩm...
- Tùy vào mục đích sử dụng mà lựa chọn các tín hiệu Analog tương ứng như 420mA (phổ biến) hoặc 0-10V.
- KM02A còn giúp đơn giản hóa vấn đề truyền thông giữ PCL với hệ thống cân.

KM02A có thiết kế hộp kín chống bụi tốt
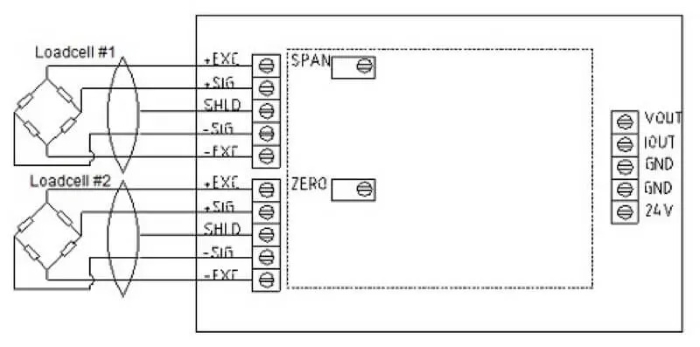
Tín hiệu đầu ra/đầu vào của thiết bị:
- VOUT: 0~10 V (tín hiệu ra dạng áp)
- IOUT: 4~20 mA (tín hiệu ra dạng dòng)
- GND: Nguồn 0 V
- 24V: Nguồn + 24 V.

Sơ đồ đấu nối KM02A Keli
Cách cài đặt đầu ra cho bộ khuếch đại tín hiệu KM02A
Dưới đây là một số hướng dẫn điều chỉnh đầu ra cho bộ khuếch đại tín hiệu loadcell KM02A. Cụ thể:
1. Cách chỉnh đầu ra là kiểu Dòng (4~20mA)
Vùng Zero thấp nhất của Bộ khuếch đại là khoảng 2.7 mA, Khi đầy tải sẽ được giới hạn trong khoảng 32 mA.
- Bước 1: Kết nối và kiểm tra cẩn thận.
- Bước 2: Sử dụng VOM thang đo dòng để đo dòng điện ra khi cài đặt tải trong tình huống tải rỗng (Vùng ZERO không tải). Điều chỉnh POT (Biến trở) tại vị trí có đánh dấu 'Zero' để tạo ra dòng điện hiện tại ở 4.000 mA. Nếu bạn điều chỉnh POT theo chiều kim đồng hồ, đầu ra hiện tại sẽ tăng lên, nếu theo ngược chiều kim đồng hồ thì đầu ra dòng điện hiện tại sẽ giảm.
- Bước 3: Đặt đầy tải hoặc một điểm tải như n% F.S lên cảm biến lực/cân/sàn cân, sau đó điều chỉnh POT (Biến trở) tại vị trí có được đánh dấu 'SPAN' để tạo ra dòng điện hiện tại ở 20.000 mA hoặc 4 + n% * 16. Cách điều chỉnh POT như bước trên.
- Bước 4: Lặp lại bước 2, bước 3 cho đến khi kết quả là đúng theo yêu cầu.

Sản phẩm bảo hành 12 tháng chính hãng
2. Cách hỉnh đầu ra là kiểu Áp (0~5V hoặc 0~10V)
Điện áp thấp nhất tại vùng Zero đầu ra của bộ khuếch đại KM01 khoảng -0.3 V, khi đầy tải sẽ được giới hạn trong khoảng 10.7 V.
- Bước 1: Kết nối và kiểm tra cẩn thận.
- Bước 2: Sử dụng VOM thang đo điện áp để đo điện áp ra khi cài đặt tải trong tình huống tải rỗng. Điều chỉnh POT (Biến trở) tại vị trí có đánh dấu 'Zero' để tạo ra điện áp là 0.000 V.
Nếu bạn điều chỉnh POT theo chiều kim đồng hồ, điện áp đầu ra sẽ tăng lên, nếu ngược ngược chiều kim đồng hồ thì điện áp sẽ giảm.
- Bước 3: Đặt lên cảm biến/cân/sàn cân toàn bộ tải hoặc một điểm tải như n% F.S, sau đó điều chỉnh POT (Biến trở) tại vị trí được đánh dấu 'SPAN' để tạo ra điện áp ở 10.000V hoặc 10 * n% V. Cách điều chỉnh POT như các bước trên.
- Bước 4: Lặp lại bước 2, bước 3 cho đến khi kết quả là đúng như yêu cầu.

Bên trong hộp có gói hút ẩm bảo vệ mạch điện tử
Một số lưu ý khi sử dụng bộ khuếch đại tín hiệu KM02A Keli
- Sau khi điều chỉnh đầu ra cho bộ KM02 ở các mức ZERO và SPAN, bạn nên sử dụng những thứ đông lạnh như dầu đông cứng hoặc sáp để gắn các vít điều chỉnh của POT, để tránh rung động hoặc các lý do khác gây ra có thể ảnh hưởng đến POT làm sai lệch kết quả ở đầu ra.
- Đậy kín nắp, siết chặt ốc và siết chặt các phích cắm của các lỗ đấu dây để bảo vệ khỏi bụi và nước.
- Phạm vi cung cấp điện cho phép của Bộ Khuếch đại là DC15V ~ 24V, chúng tôi khuyên bạn sử dụng 15V, 18V hoặc 24V DC.
- Khi nhiệt độ môi trường trên 60 ℃, bạn nên đảm bảo rằng nguồn điện sẽ không được trên 24V.
- Trong các hệ thống điều khiển trạm trộn bê tông, ngoài việc sử dụng đầu cân (Weight TPS Indicator) để cân/đo nguyên liệu, thì việc sử dụng các bộ khuếch đại làm đơn giản hóa vấn đề giao tiếp giữa PLC (Bộ điều khiển lập trình) với các hệ thống cân.
- Kết nối PLC và đầu cân (cần hiểu rõ truyền thông giao tiếp, đôi khi vấn đề này cũng không đơn giản).
- Kết nối PLC và bộ khuếch đại (chỉ cần kết nối cổng Analog -> đơn giản hóa vấn đề giao tiếp --> được sử dụng rộng rãi)
Quý khách hàng có nhu cầu đặt mua, cần tư vấn báo giá sản phẩm, vui lòng liên hệ:
CÔNG TY CỔ PHẦN CÔNG NGHỆ TỰ ĐỘNG TÂN PHÁT
- Địa chỉ: VT32, LK4, KĐT Đại Thanh, Tả Thanh Oai, Thanh Trì, Hà Nội
- Hotline: 0963 966 866
- Email: tudonghoa88@gmail.com