Còn hàng
| Model: | HSX |
| Tải trọng: | 200kg |
| Thương hiệu: | Keli |
| Nhà cung cấp: | Tân Phát |
| Ứng dụng: | Cân băng tải, cân đóng bao, cân bàn, cân sàn điện tử,… |
| Bảo hành: | 12 tháng |
Loadcell HSX Keli 200kg là loại cảm biến lực dạng xoắn, được Tân Phát nhập khẩu trực tiếp từ xưởng của Keli (Trung Quốc) và cung cấp chính hãng ra thị trường Việt Nam với chế độ bảo hành 12 tháng đầy đủ.

Loadcell HSX 200kg của Keli, do Tân Phát nhập khẩu và cung cấp chính hãng
Model | HSX |
Thương hiệu | Keli |
Xuất xứ | Trung Quốc |
Nhà cung cấp | Tân Phát |
Bảo hành | 12 tháng |
Tải trọng | 200kg |
Chất liệu | anodized aluminum |
Điện áp đầu vào | 400±20Ω |
Điện áp đầu ra | 352±3Ω |
Điện áp biến đổi | 2±0.002mV/V |
Điện trở cách điện | ≥5000MΩ |
Tiêu chuẩn bảo vệ | IP68 |
Quá tải an toàn | 150% RC |
Ứng dụng | Cân bàn điện tử, cân sàn điện tử, cân băng tải, cân đóng bao,... |

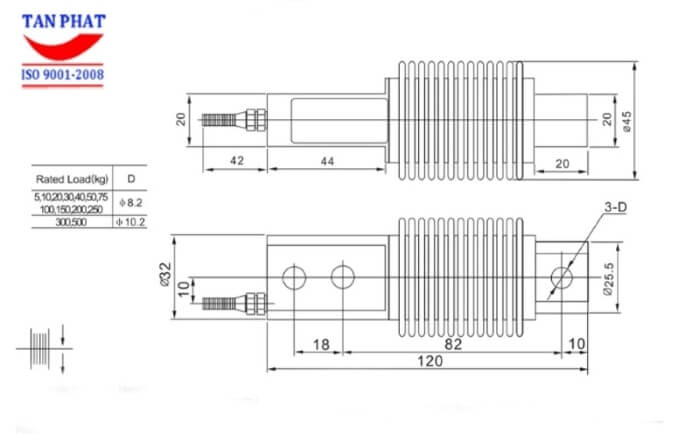
Bản vẽ kỹ thuật thể hiện cấu tạo và thông số của loadcell HSX 200kg

Loadcell HSX 200kg do Keli sản xuất, được Tân Phát nhập khẩu và cung cấp chính hãng với đầy đủ CO, CQ

Sản phẩm được chế tạo từ thép hợp kim chống gỉ, cấp chính xác OIML C3, tiêu chuẩn bảo vệ IP68

Sản phẩm có khả năng chống bụi và kháng nước tốt. Loadcell HSX 200kg được sử dụng phổ biến trong các loại cân bàn, cân sàn, cân băng tải, cân đóng bao,…

Dây tín hiệu dài 4m, 5 lõi với 5 màu riêng biệt, giúp người dùng có thể dễ dàng đấu nối vào hệ thống cân
Cách lắp đặt và giá loadcell HSX: https://tudonghoa88.com/loadcell-hsx-keli
Để nhận tư vấn báo giá và đặt mua sản phẩm, quý khách hàng vui lòng liên hệ:
CÔNG TY CỔ PHẦN CÔNG NGHỆ TỰ ĐỘNG TÂN PHÁT