Còn hàng
Đây là dòng cảm biến lực được Tân Phát nhập khẩu và cung cấp chính hãng từ thương hiệu Keli (Trung Quốc). Loadcell SQB Keli 2 tấn được sử dụng phổ biến cho các loại cân bàn, cân sàn điện tử 1-5 tấn.

Cảm biến lực SQB Keli dạng thanh, chịu tải 2 tấn (2.000kg)
|
Model |
SQB |
|
Thương hiệu |
Keli |
|
Xuất xứ |
Trung Quốc |
|
Nơi cung cấp |
Tân Phát |
|
Bảo hành |
12 tháng |
|
Tải trọng |
2 tấn |
|
Độ phân giải |
3±0.003 mV/V |
|
Điện trở đầu vào |
400±20Ω |
|
Điện trở đầu ra |
352±3Ω |
|
Điện trở cách điện |
≥5000MΩ |
|
Dải nhiệt độ hoạt động |
-30 đến +70℃ |
|
Quá tải an toàn |
150%FS |
|
Quá tải phá hủy |
200 %FS |
|
Điện áp hoạt động |
10~12V DC |
|
Điện áp kích lớn nhất |
15V DC |
|
Độ trễ |
±0,02% FS |
|
Sai số |
± 0.03% FS(thép hợp kim) ± 0,05% FS (thép không gỉ) |
|
Cấp bảo vệ |
IP68 |
|
Chất liệu |
Thép hợp kim mạ niken Thép không gỉ |
|
Ứng dụng |
Cân bàn điện tử, cân sàn điện tử, cân đóng bao,… |

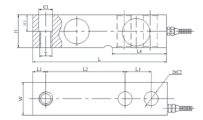
Bản vẽ cấu tạo loadcell SQB 2 tấn

Loadcell SQB 2 tấn thường được sử dụng trong các loại cân bàn, cân sàn điện tử, cân đóng bao,...

Loadcell SQB 2 tấn có 2 đầu, 1 đầu sẽ được gắn cố định vào bàn cân, đầu còn lại được thả tự do

Chất liệu thép không gỉ, có khả năng chịu các tác động từ môi trường bên ngoài, độ ổn định và độ bền cao

Cảm biến lực được cung cấp với đầy đủ CO, CQ chứng minh nguồn gốc đi kèm
Đây là dòng cảm biến lực dạng thanh có giá thành tương đối rẻ so với những dòng khác cùng tải trọng. Sở hữu giá tốt cùng thiết kế dạng thanh nhỏ gọn, có độ nhạy và tính chính xác cao nên SQB 2 tấn hiện được nhiều doanh nghiệp lựa chọn sử dụng.
Tân Phát nhập khẩu trực tiếp cảm biến lực SQB 2 tấn tại xưởng của Keli tại Trung Quốc nên sản phẩm đảm bảo chính hãng, chất lượng cao, giá tốt và độ bền lâu dài. Ngoài ra, sản phẩm được bảo hành 12 tháng trực tiếp từ đơn vị sản xuất.
Để nhận tư vấn báo giá và đặt mua sản phẩm, quý khách hàng vui lòng liên hệ:
CÔNG TY CỔ PHẦN CÔNG NGHỆ TỰ ĐỘNG TÂN PHÁT
- Địa chỉ: VT32, LK4, KĐT Đại Thanh, Tả Thanh Oai, Thanh Trì, Hà Nội
- Hotline: 0963 966 866
- Email: tudonghoa88@gmail.com