Còn hàng
Loadcell UDA Keli 100kg là dòng cảm biến lực dạng thanh được lắp đtặ chủ yếu cho các loại cân bàn, cân đóng bao, cân định lượng. Đây là loại loadcell thanh đơn điểm, giá thành rẻ, được nhập khẩu chính hãng từ Keli (Trung Quốc).

Loadcell UDA 100kg nhập khẩu chính hãng Keli
|
Model |
UDA |
|
Thương hiệu |
Keli |
|
Xuất xứ |
Trung Quốc |
|
Nhà cung cấp |
Tân Phát |
|
Bảo hành |
12 tháng |
|
Công suất định mức |
100kg |
|
Cấp chính xác |
OIML R60 C3 |
|
Điện trở đầu vào |
404±15Ω |
|
Điện trở đầu ra |
350±3Ω |
|
Điện trở khuyến nghị |
> 2000MΩ |
|
Nhiệt độ hoạt động |
-20℃ ~ +50℃ |
|
Điện áp khuyến khích |
10V |
|
Chất liệu |
Nhôm |
|
Chiều dài dây tín hiệu |
2m |
|
Kết cấu dây tín hiệu |
5 lõi |
|
Quá tải an toàn |
150% |
|
Ứng dụng |
Cân bàn điện tử kích thước 50x60cm, 60x80cm, cân băng định lượng, cân bồn…. |

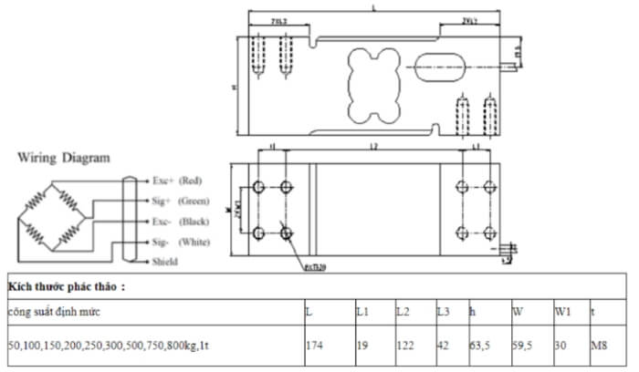
Bản vẽ cấu tạo loadcell thanh UDA 100kg của Keli

Loadcell UDA 100kg là dòng cảm biến lực dạng thanh, giá thành rẻ

Thiết bị chuyên dùng lắp đặt cho các loại cân điện tử dưới 100kg

Chất liệu từ nhôm, dây tín hiệu dài 2.5m giúp lắp đặt dễ dàng
Sản phẩm hiện được Công ty CPCN Tự động Tân Phát nhập khẩu và cung cấp chính hãng ra thị trường với đầy đủ CO, CQ chứng minh nguồn gốc đi kèm. Ngoài ra, tất cả các dòng cảm biến lực Keli do Tân Phát cung cấp đều đảm bảo chất lượng, giá thành tốt nhất thị trường, bảo hành đầy đủ 12 tháng chính hãng.
Để nhận tư vấn báo giá và đặt mua sản phẩm, quý khách hàng vui lòng liên hệ:
CÔNG TY CỔ PHẦN CÔNG NGHỆ TỰ ĐỘNG TÂN PHÁT