Còn hàng
| Model: | YBSC |
| Tải trọng: | 2 tấn |
| Thương hiệu: | Keli |
| Nhà cung cấp: | Tân Phát |
| Bảo hành: | 12 tháng |
Loadcell YBSC Keli 2 tấn là loại cảm biến lực dạng đĩa, chuyên dùng trong hệ thống cân phễu tĩnh, cân xilo,… Sản phẩm được Tân Phát nhập khẩu và cung cấp chính hãng với chế độ bảo hành 12 tháng.

Loadcell YBSC 2 tấn nhập khẩu chính hãng từ thương hiệu Keli
|
Model |
YBSC – A |
|
Thương hiệu |
Keli |
|
Xuất xứ |
Trung Quốc |
|
Đơn vị cung cấp |
Tân Phát |
|
Tải trọng |
2 tấn |
|
Độ phân giải |
2.0±0.02mV/V |
|
Điện trở đầu vào |
400±20Ω/750±10Ω |
|
Điện trở đầu ra |
352±3Ω/702±3Ω |
|
Sai số |
±0.3%FS |
|
Điện trở cách điện |
≥5000MΩ |
|
Dải nhiệt độ hoạt động |
-30 đến +70 ℃ |
|
Ddooh dài dây dẫn |
6m |
|
Cấp bảo vệ |
IP68 |
|
Quá tải an toàn |
150%FS |
|
Quá tải phá hủy |
180%FS |
|
Trạng thái không tải |
±1%FS |
|
Chất liệu cấu tạo |
Alloy Steel (thép không gỉ) |
|
Ứng dụng |
Cân bồn, cân đóng bao, cân sàn điện tử, cân phễu, cân xilo, cân bàn,… |

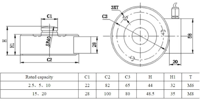
Bản vẽ kỹ thuật cảm biến lực loadcell YBSC 2 tấn

YBSC Keli là loại cảm biến lực dạng đĩa, hoạt động dựa trên nguyên lý kéo, nén cho độ ổn định và chính xác cao

Chất liệu sản phẩm từ thép không gỉ, hoạt động ổn định trong môi trường công nghiệp khắc nghiệt

YBSC 2 tấn sở hữu dây tín hiệu 5 lõi, giúp kết nối dễ dàng và nhanh chóng với hệ thống cân

Sản phẩm được cung cấp với đầy đủ phụ kiện đi kèm
Giá loadcell YBSC 2 tấn của Keli do Tân Phát nhập khẩu và cung cấp ra thị trường với giá thành rẻ, có tính cạnh tranh cao trên thị trường. Giá thành của cảm biến lực tùy thuộc vào từng đơn vị cung cấp, có đầy đủ phụ kiện hay không, nhập khẩu chính ngạch hay tiểu ngạch,…
Để nhận tư vấn và báo giá chi tiết, quý khách vui lòng liên hệ:
CÔNG TY CỔ PHẦN CÔNG NGHỆ TỰ ĐỘNG TÂN PHÁT